Close
Parts Finder
Back
Parts Finder
Ideal
Ideal Commercial
Keston
Keston Commercial
Hamworthy
Stockist Locator
About
Contact
Excel CF 30-60
Make
EXCEL
Model
EXCEL CF
Type
CF30-60
UIN: A22.0
A22/A - Casing
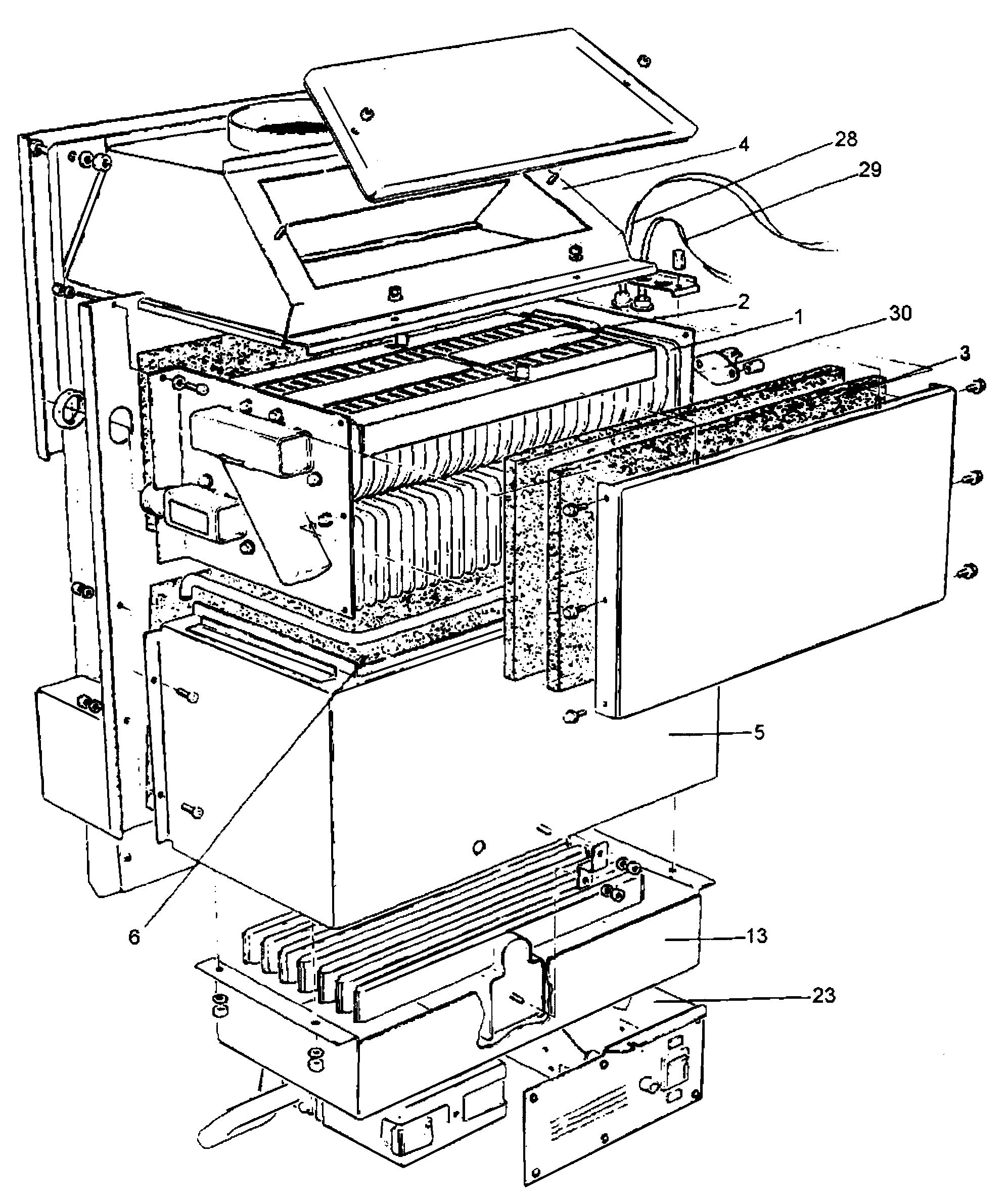
A22/B - Boiler Expanded
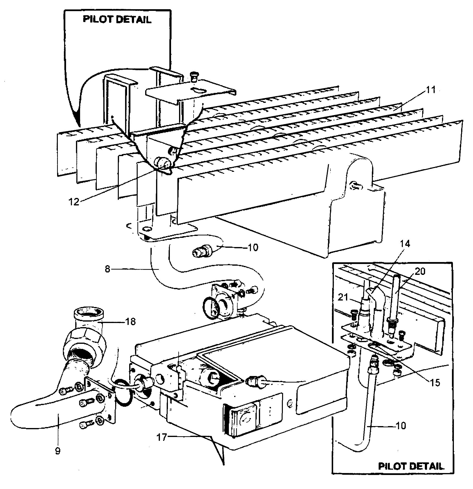
A22/C - Burner and Controls
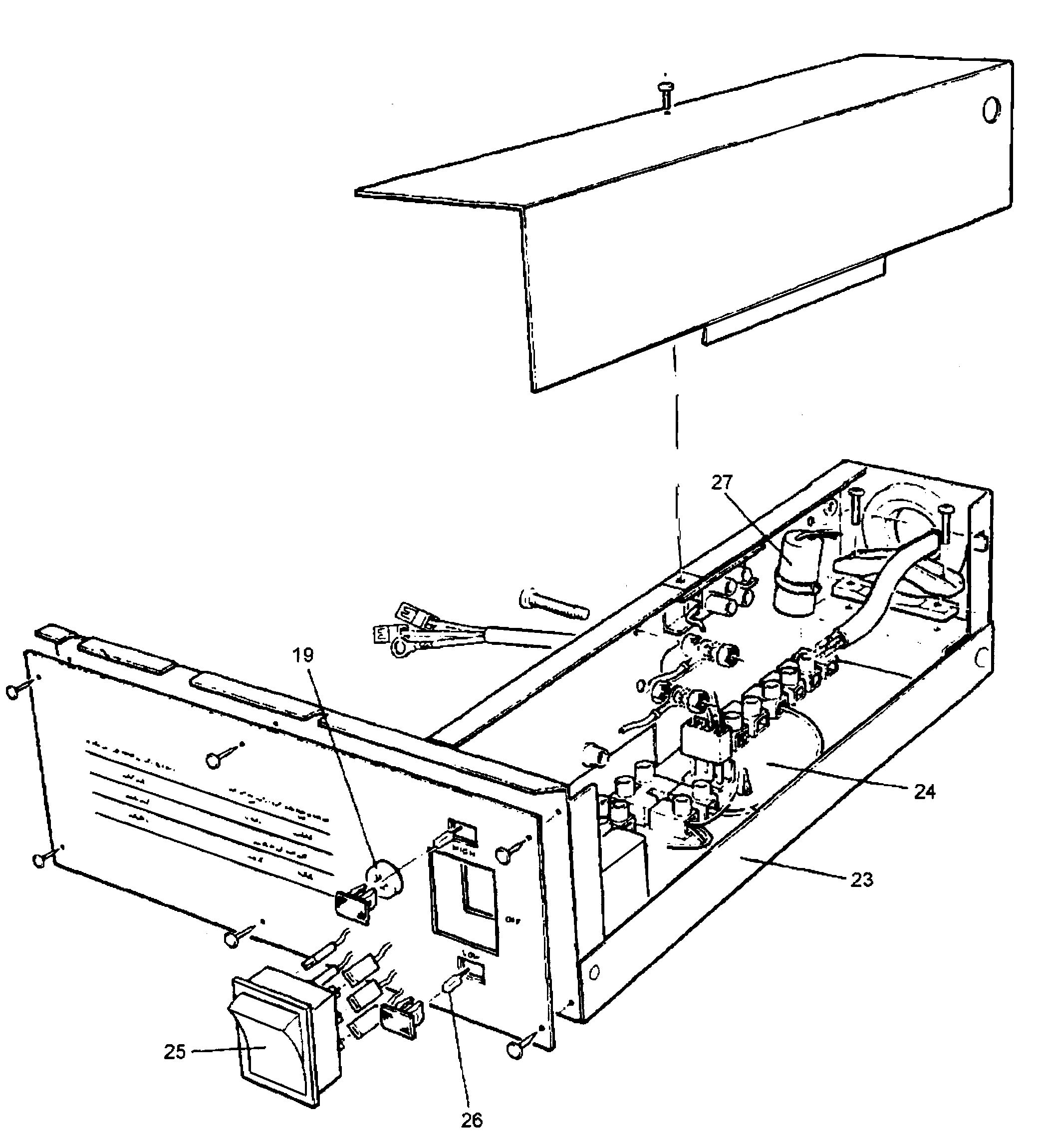
A22/D - Controls
Parts Search
Key
UIN
Name
Model
Loading...