Close
Parts Finder
Back
Parts Finder
Ideal
Ideal Commercial
Keston
Keston Commercial
Hamworthy
Stockist Locator
About
Contact
Sprint RS75
Make
SPRINT
Model
SPRINT RAPIDE RS
Type
RS75
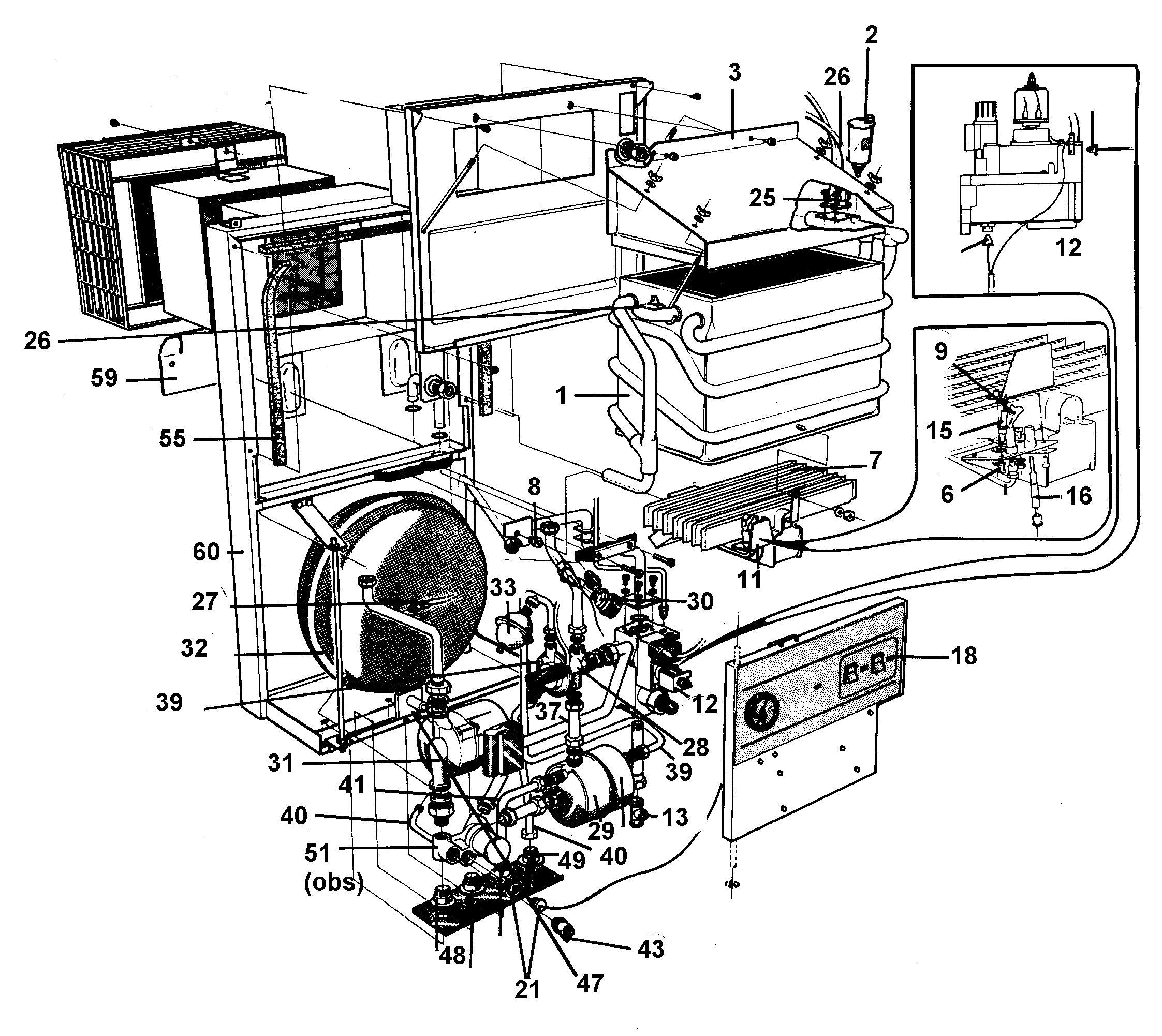
UIN: A24.0
A24/A - Casing
A24/B - Boiler Expanded
A24/C - Controls - rear view
Parts Search
Key
UIN
Name
Model
Loading...