Close
Parts Finder
Back
Parts Finder
Ideal
Ideal Commercial
Keston
Keston Commercial
Hamworthy
Stockist Locator
About
Contact
Turbo 12
Make
TURBO
Model
TURBO
Type
12 (PRIMA)
UIN: A26.0
A26/A - Casing
A26/B - Boiler Expanded
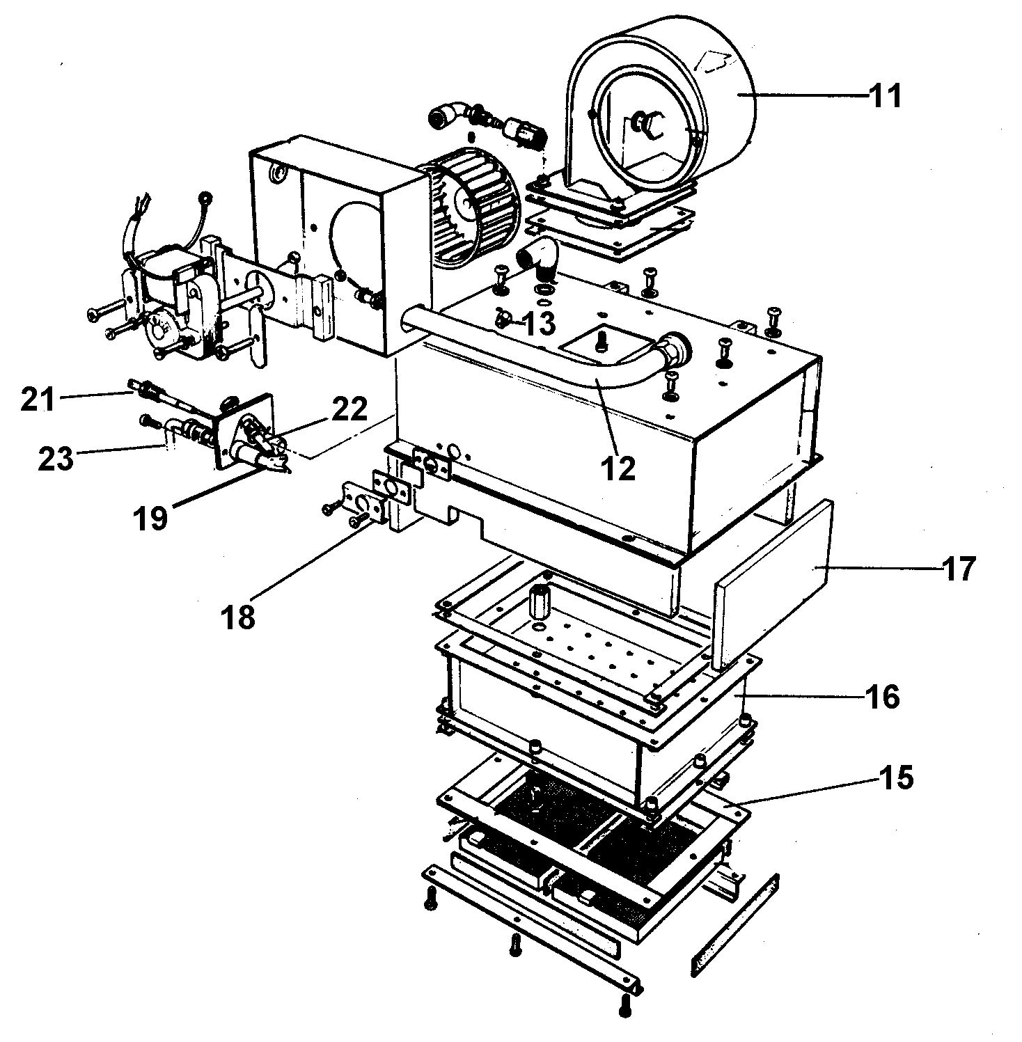
A26/C - Burner Assembly
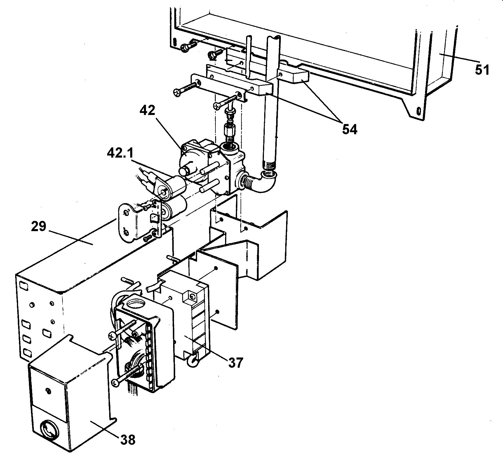
A26/D - Gas Line & Controls
A26/E - Controls
Parts Search
Key
UIN
Name
Model
Loading...