Sprint Rapide RS75N

Make

SPRINT

Model

SPRINT RAPIDE RS

Type

RS75N

UIN: A37.0

A37/A - Casing
A37/A - Casing
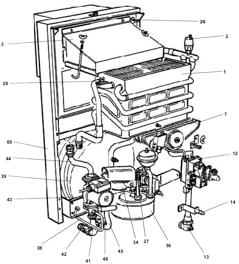
A37/B - Boiler Expanded (Aeromatic Burner Shown)
A37/B - Boiler Expanded (Aeromatic Burner Shown)
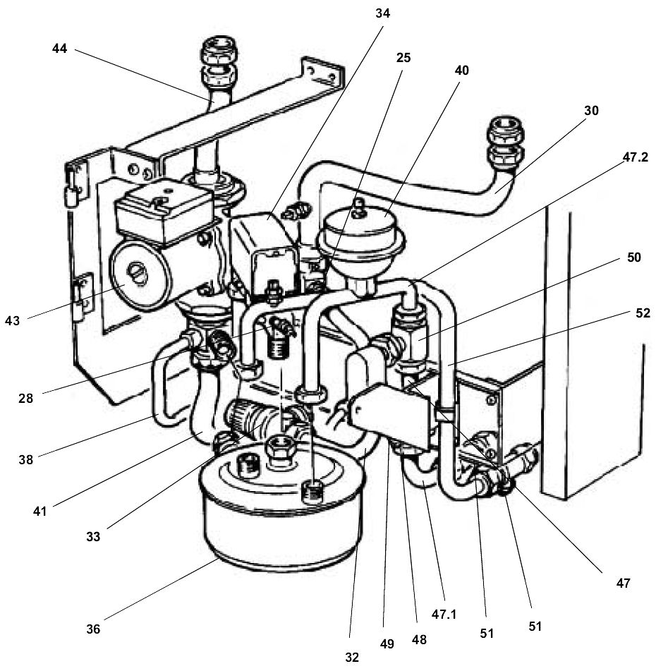
A37/C - Pipework
A37/C - Pipework
A37/D - Burner and Gas Controls (Furigas Burner Shown)
A37/D - Burner and Gas Controls (Furigas Burner Shown)
A37/E - Controls Assembly
A37/E - Controls Assembly
A37/F - Short Parts List
A37/F - Short Parts List
KeyUINNameModel
Loading...