Close
Parts Finder
Back
Parts Finder
Ideal
Ideal Commercial
Keston
Keston Commercial
Hamworthy
Stockist Locator
About
Contact
Cavalcade 340/350(Visa, Visa Deluxe Fires)
Make
CAVALCADE
Model
CAVALCADE
Type
340/350
UIN: B19.0
B19/A - Fire
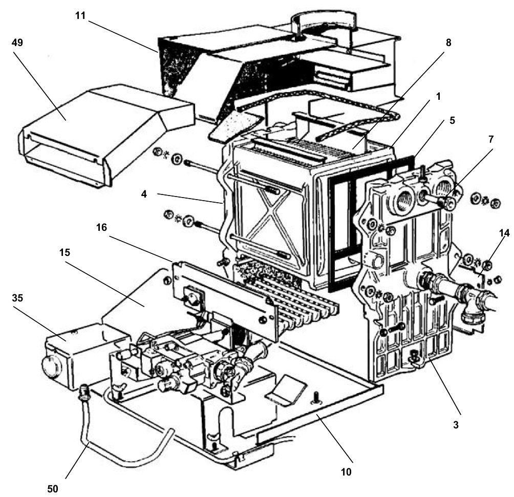
B19/B - Bolier Exploded
B19/C - Short List
Parts Search
Key
UIN
Name
Model
Loading...