Close
Parts Finder
Back
Parts Finder
Ideal
Ideal Commercial
Keston
Keston Commercial
Hamworthy
Stockist Locator
About
Contact
Vanguard L: Boiler Body 1100 - 4000
Make
VANGUARD L
UIN: F35.3
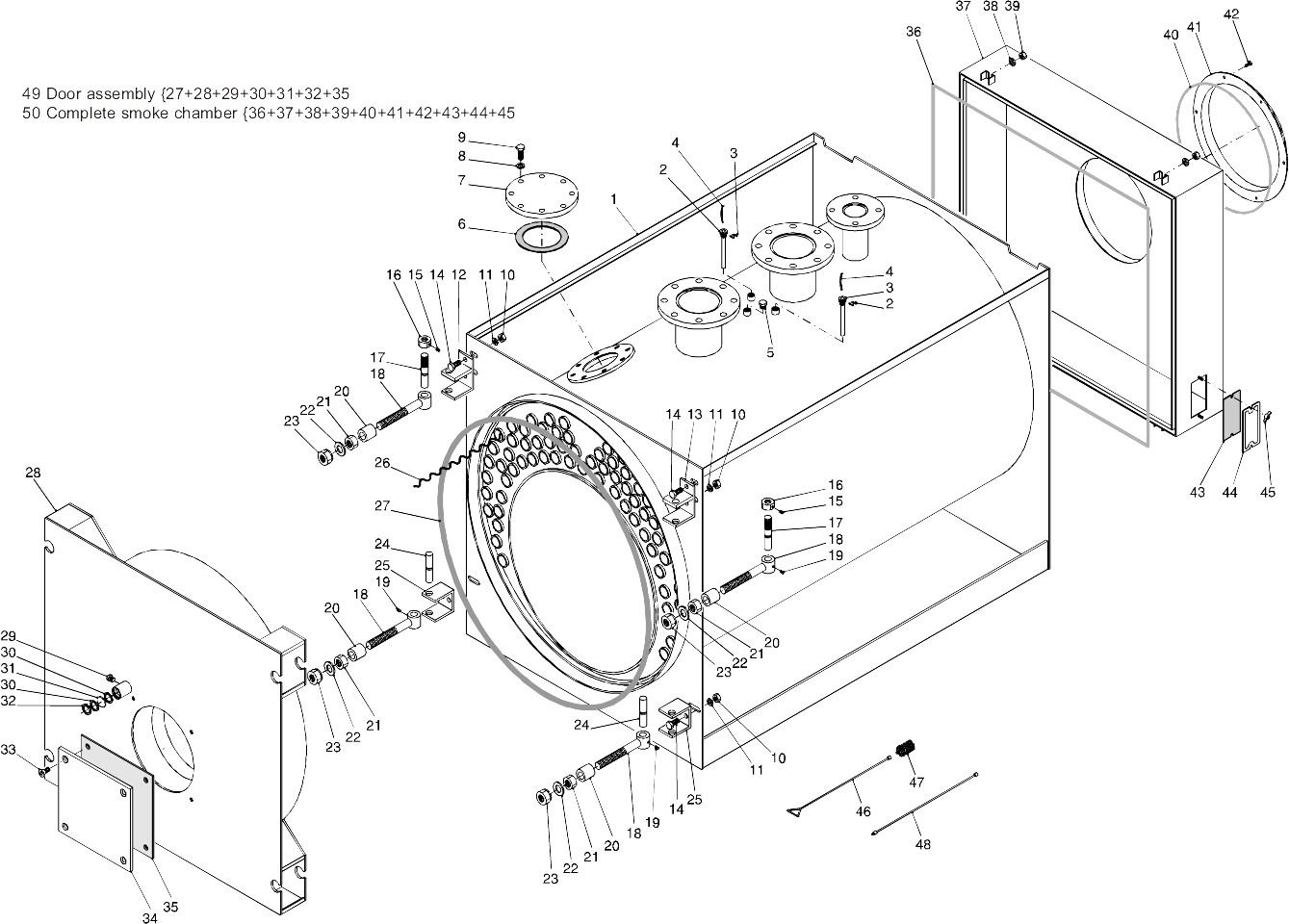
F35.3/1 - Boiler Exploded C
Parts Search
Key
UIN
Name
Model
Loading...