Mexico Super CF40/55 (& Mono)

Make

MEXICO

Model

MEXICO SUPER CF

Type

CF40/55 & MONO

UIN: G7.0

G7 /A - Boiler
G7 /A - Boiler
G7 /B - Casing
G7 /B - Casing
G7 /C - Boiler Expolded
G7 /C - Boiler Expolded
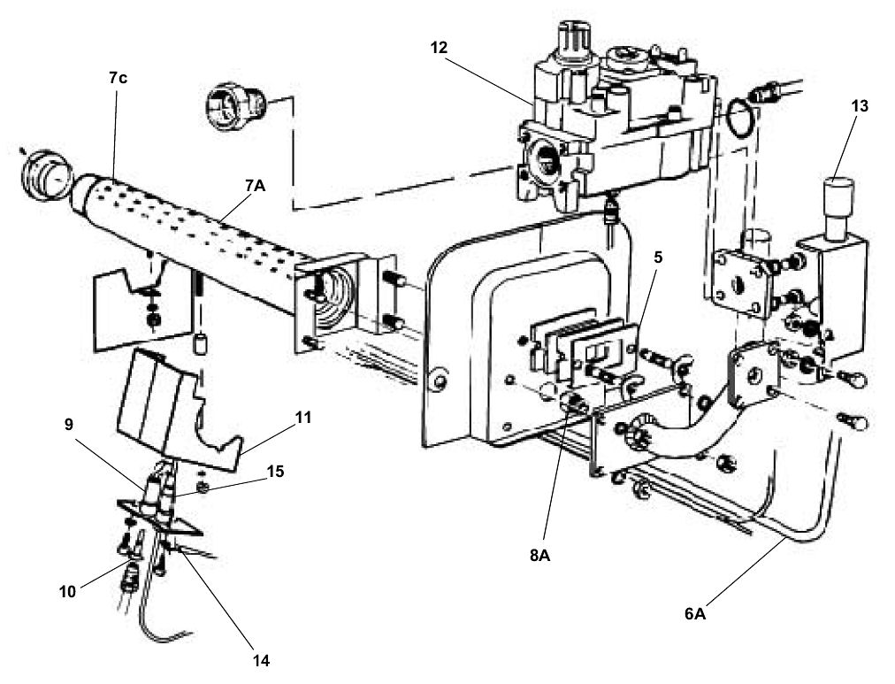
G7 /D - Burner Controls40
G7 /D - Burner Controls40
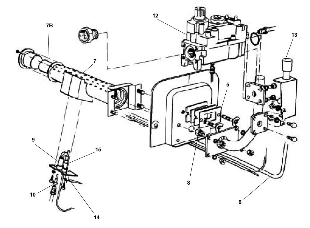
G7 /E - Burner Controls55
G7 /E - Burner Controls55
G7 /F - Controls
G7 /F - Controls
G7 /G - Stat Controls
G7 /G - Stat Controls
KeyUINNameModel
Loading...